TZTMP是一个功能非常齐全的试验模态分析软件:包括复杂模型结构的创建,多种模态分析方法可供选择,模态参数的效验等等。模态参数的分析主要包括时域分析以及频域分析两种,同时能交互动画显示ODS,模型动画等等。支持AVI动画导出。
模型结构的创建:
提供模型创建的基本方法,能灵活的在txt文件,excel文件之间灵活切换,同时可导入简单结构的AutoCAD文件。可对模型
预处理:
平滑、线型拟合、滤波、截取、降采样等等。
谱分析:
FFT、IFFT、自互谱、传函等。
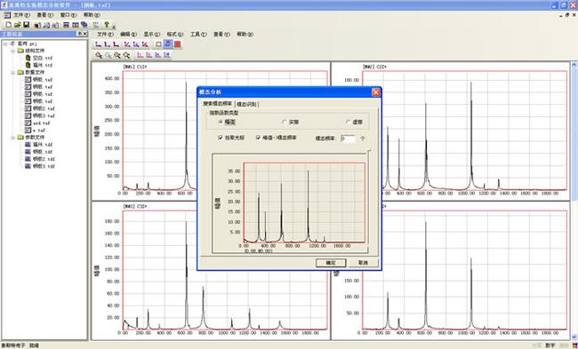
模态分析:
峰值检测、圆拟合、传递率法、最小二乘复指数法、正交多项式法。
高级模态分析(可选):
时域直接参数识别(TDPI)、最小二乘频域法(LSFD)、结构系统参数识别(ISSPA)、频域直接参数识别方法(FDPI)等等
模态验证:
模态比例因子(MSF),以及模态判定准则(MAC)是比较常用的两种方法。同时提供模态参预(MP)检验、模态相位共线性(MPC)和模态相位偏移(MPD)等等检验方法。
建模

参数文件

参数识别

四视图

模态振型